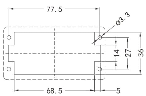
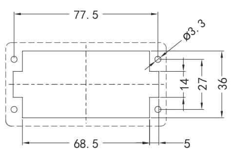
Heavy-duty connectors are mainly used for electrical or signal connections between different devices or functional units, which provide great convenience for the installation and maintenance of complex control devices.
| Applied Range: |
| ◆ Wind Energy |
| ◆ Power Systems |
| ◆ Photovoltaic Industry |
| ◆ Engineering Equipment |
| ◆Other Industry Application |




